
Victoria Arduino Eagle Tempo
Find everything you need for your Victoria Arduino Eagle Tempo in one place. From parts diagrams to installation guides, we've got you covered.
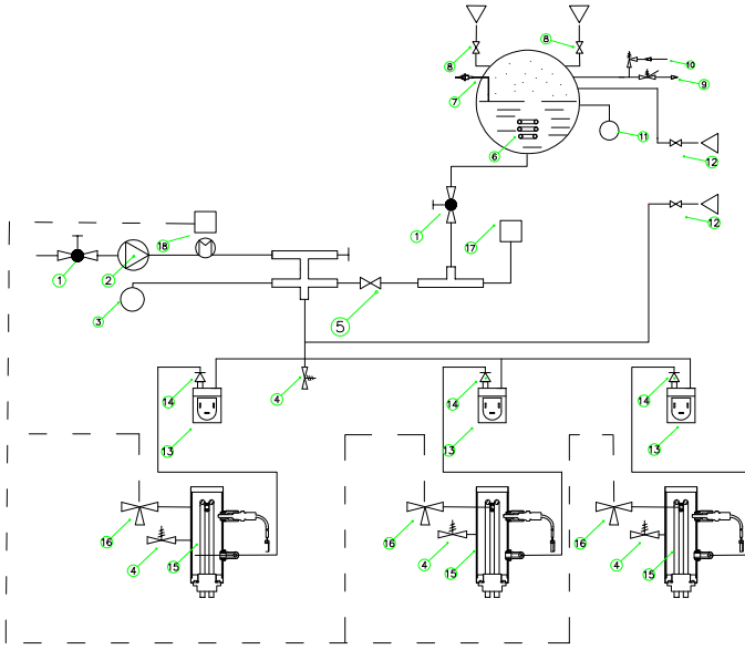
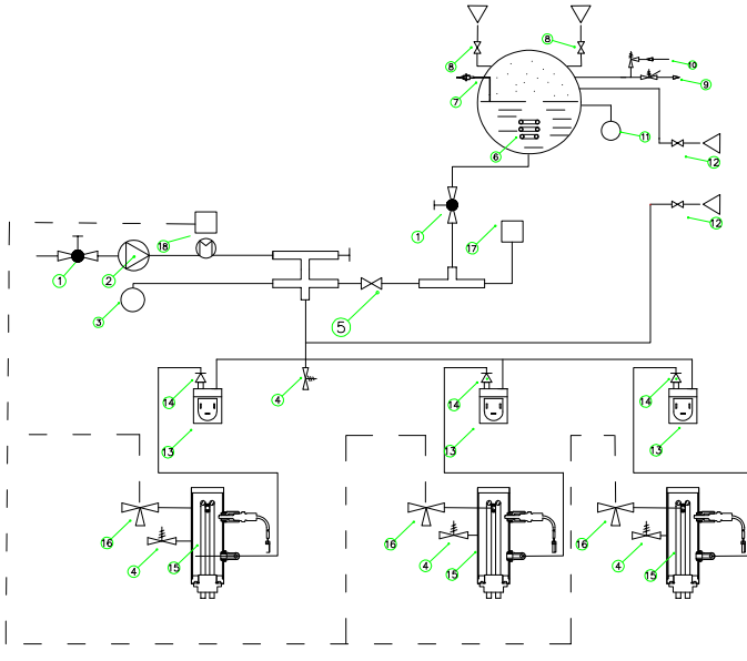
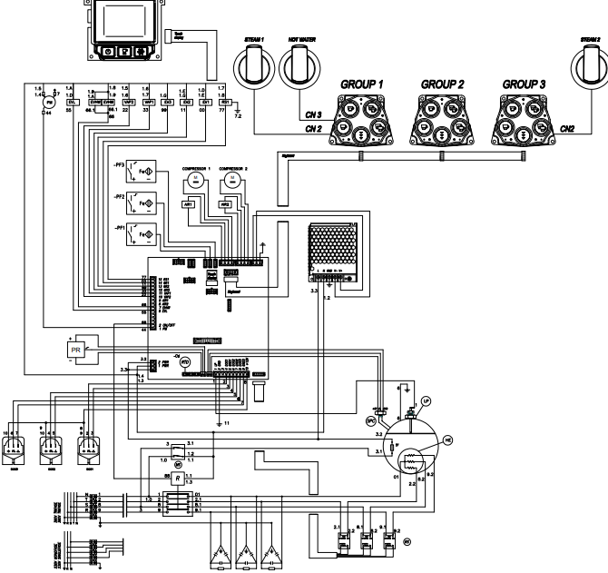
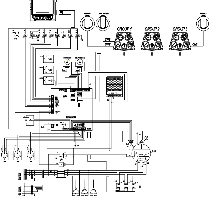
Diagrams Victoria Arduino Eagle Tempo
Spare Parts Victoria Arduino Eagle Tempo
-
GASKET O RING R11 D19 EP 851
Regular price $2.01 AUDRegular price -
S/S SHOWER 56X5,5X6 WELDED
Regular price $10.10 AUDRegular price -
Aurelia / Black Eagle / White Eagle Group Gasket Conical 72.3x57.5x8h
Regular price $3.93 AUDRegular price -
O RING FOR STEAM WAND NOZZLE D6x1.2 EPDM70
Regular price $0.87 AUDRegular price
Eagle Tempo Service Kits
-
Victoria Arduino Eagle Tempo - LYNCS Service Kit C
Regular price $775.61 AUDRegular priceSold out -
Victoria Arduino Eagle Tempo (No Easy Cream) - LYNCS Service Kit B
Regular price From $97.20 AUDRegular price -
Victoria Arduino Eagle Tempo Steam Wand Kit
Regular price $40.77 AUDRegular price -
Victoria Arduino Eagle Tempo - LYNCS Service Kit A
Regular price From $115.38 AUDRegular price
PDF Manuals and Guides Victoria Arduino Eagle Tempo
1
/
of
5

