
La Cimbali M26
Find everything you need for your La Cimbali M26 in one place. From parts diagrams to installation guides, we've got you covered.
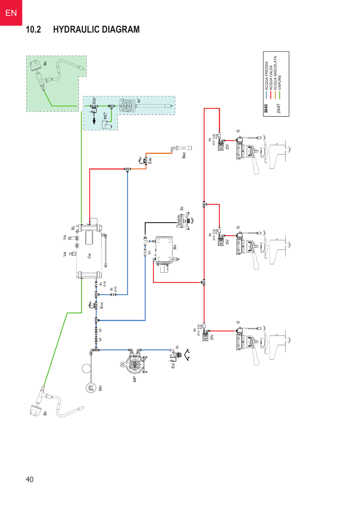
La Cimbali M26 Diagrams
Complete Diagram
1
/
of
7
La Cimbali M26 Parts
-
GROUP GASKET - E61 8mm
Regular price $4.15 AUDRegular price -
GASKET, OR 7.65X1.78 TS PROBE
Regular price $2.05 AUDRegular price -
OCT. CHROME GROUP BELL
Regular price $222.11 AUDRegular price
La Cimbali M26 PDF Manuals and Guides
1
/
of
10

